Un jour, en 2019, j’étais en train de regarder les annonces eBay pour des Minitels, quand j’en ai vu passer une pour un Minitel 1 de marque « La Radiotechnique » avec un clavier séparé.
Je connaissais les Minitels 10 et 12 avec écran et clavier séparés mais ce modèle n'y ressemblait pas et ne me disait pas grand-chose sur le moment.
Puis je me suis rappelé d’une page web d’un site personnel avec quelques photos d’un Minitel soit-disant couleur. (Je n'ai pas réussi à retrouver la dite page désolé)
A l’époque, on ne trouvait pas beaucoup d’informations en ligne au sujet des Minitels à écran couleur. C'était une curiosité que je n'avais vu nulle part ailleurs et c'était resté dans un coin de ma tête.
Les photos de l’annonce correspondaient au Minitel couleur du site web personnel que j’avais vu.
J’ai suivi l’enchère de l’annonce eBay et j’ai pu l’avoir pour un peu plus de 50€.
C’est pas donné mais pour un truc rare dans le domaine qui m’intéresse, ça passe.
Il fallait encore rajouter à ça 22€ de frais de port.
Ça pique mais c’est du matos lourd et volumineux et je n’avais pas envie de choisir une méthode d’envoi économique au risque qu’il se casse en route.
Vu que c'est comme une télévision à tube cathodique dans un carton, si le carton est malmené et l’intérieur mal protégé, le verre du tube peut se casser.
Une fois reçu, je n'ai entendu aucun bruit de truc cassé à l'intérieur. Je l’ai alors testé en me connectant à mon serveur Minitel.
Il fonctionne !
Le rendu graphique de ma photo de 2019 initialement conçue pour être affichée en 8 niveaux de gris sur un Minitel à affichage noir et blanc fait très originale en 8 couleurs !
Présentation générale :
Ce Minitel couleur est un Minitel 1 fabriqué par « La Radiotechnique » sous le nom de modèle « 11 CFZ 201 ».
Une date de fin de garantie fixée à 1987 permettrait de supposer que cet exemplaire a été fabriqué en 1985 ou 1986.
D’après une brochure d’époque (PDF) (source), c’est un modèle idéal pour les halls d’accueil, les lieux d’expositions ou de démonstration … En gros, là où il y a du passage et où il est possible de rencontrer un truc peu ordinaire.
Présenté comme ça, ça catégorise cette fonctionnalité couleur plus comme « tape à l’œil » que réellement utile.
D'ailleurs, lors d'une recherche sur LeBonCoin sans rien à voir avec les Minitels, je suis tombé sur une documentation de pièces automobiles avec ce modèle de Minitel couleur en couverture vraiment montré pour attirer l’œil.
En cherchant des scans du contenu de cette documentation pour voir si ça parlait de Minitel, il semblerait qu'elle ne contienne que des informations sur des pièces automobiles.
La documentation "Auto expertise" n°115 d'octobre 1985 :
Dans le livre « Le Minitel, en savoir plus », publié en 1985, on apprend que ce modèle pouvait se louer pour 200 Fr/mois en plus de l’abonnement téléphonique.
C'est équivalent à environ 63€/mois d'aujourd’hui (2025). C’était pas donné !
C'est équivalent à environ 63€/mois d'aujourd’hui (2025). C’était pas donné !
Cliquez sur l'image pour l'agrandir
On y découvre d'ailleurs un exemplaire de Minitel légèrement différent du mien avec son clavier plus sombre et
ce qui semble être un bouton rond argenté en bas à gauche de l’écran.
Ce clavier plus sombre était utilisé chez les Minitel 1 "La Radiotechnique 9 NFZ 200".
Peut-être qu'il y a eu des exemplaires de Minitel 1 couleur 11 CFZ 200.
Le clavier d'un Minitel 1 n&b "La Radiotechnique 9 NFZ 200"
Dans le livre « Les secrets du Minitel (2e édition) » de Christian Tavernier, publié en 1988, on trouve une description qui souligne le fait que ce Minitel peut attirer l'intérêt des gens à cause de son affichage couleur mais c'est tout.
Ce Minitel est composé de deux parties : l'écran et le clavier séparé.
La partie écran contient l’électronique vidéo et l’électronique logique qui fait les fonctions Minitel ainsi que le modem.
En bas à droite, on trouve le bouton de mise sous tension.
Sur la gauche, il y a un connecteur modulaire 6P6C pour le clavier.
A l’arrière, deux câbles ressortent avec celui pour l’alimentation et pour connecter le terminal à une ligne téléphonique sur la prise murale.
Plusieurs connecteurs sont visibles :
- Une prise téléphonique femelle :
Elle sert à y brancher un téléphone dont on a besoin pour composer le numéro du serveur Minitel à appeler (ou du kiosque 3615 et autres à l’époque où ces numéros étaient actifs).Ce Minitel n’étant pas équipé d’un système de numérotation, il faut utiliser un téléphone ordinaire branché à l’arrière du Minitel ou ailleurs sur la ligne pour composer le numéro.
Lorsque l’utilisateur appuie sur la touche « Connexion/Fin » du Minitel, ce dernier prend la ligne et coupe la liaison téléphonique du téléphone branché à l’arrière du Minitel pour éviter des perturbations du signal entre le Minitel et le serveur qui pourraient être causés, par exemple, par le micro du téléphone.
Une fois que l’utilisateur a terminé et qu’il appuie à nouveau sur « Connexion/Fin » pour se déconnecter, le Minitel relâche alors la ligne et rétabli la liaison sur la prise arrière pour que le téléphone redevienne opérationnel.
- Un connecteur DIN appelé « Péri-informatique » :
Il permet des échanges de données entre un périphérique externe et généralement un serveur Minitel lorsque le Minitel est communication.
Ces échanges se font via une liaison série à la vitesse de 1200 bit/s.Les tensions des signaux de données suivent les niveaux de tensions TTL.
Le connecteur DIN « Péri-informatique » et la prise téléphonique femelle :
Le type de périphérique le plus courant pour les Minitels était une imprimante.
Certaines nécessitaient d'être alimentés par le connecteur DIN « Péri-informatique » mais tous les Minitels ne fournissaient pas d'alimentation.
Sur ce modèle de Minitel, aucune tension d’alimentation n’est fournie via le connecteur DIN pour le périphérique.
On ne peut donc utiliser que des périphériques ayant leur propre alimentation.
Au dessus des connecteurs, il y a également une vis en plein milieu.
On en reparlera plus tard pendant le démontage.
Sur le côté, rien de bien intéressant, juste ce qui semble être des trous pour l’aération.
Mais c’est en fait pour autre chose …
Sur le dessus, on trouve une grande grille d’aération.
Côté gauche, il y a le bouton à glissière pour le réglage de la luminosité de l’écran.
Il semblerait qu’il ait été prévu un deuxième bouton de ce type juste à côté, peut-être pour le réglage de contraste.
Il semblerait que cet appareil a eu un coup de chaud à un moment.
Il y a une découpe qui pourrait faire penser qu'un système de module enfichable avait été pensé mais pas utilisé ici.
Le clavier, séparé de la partie écran, est reliée à cette dernière via un câble avec des connecteurs modulaires 6P6C.
Sous le clavier, il y a une étiquette dont les informations se sont malheureusement effacées avec le temps.
On distingue juste vaguement le mot « CLAVIER » et quelques chiffres.
Voilà pour une présentation rapide. :)
État des lieux du fonctionnement :
Quand j’ai reçu ce Minitel en 2019, il marchait encore très bien.
Mais avec les années, il a commencé à montrer des signes de faiblesse.
En 2023, après ne pas l'avoir allumé depuis plusieurs mois, à la mise sous tension, le « F » caractéristique, qui s'affiche en haut à droite de l’écran, a mis une bonne minute à apparaître en passant d’un rouge sombre à progressivement un blanc lumineux qui est son état habituel quand l’électronique fonctionne normalement.
Après un temps de "chauffe" de l'électronique, il était encore utilisable.
Comme pas mal d’appareils des années 80, quand l’électronique analogique vidéo commence à avoir des comportement suspects, comme l’image qui met du temps à s’afficher à la luminosité normale ou qui saute, c’est le signe que des composants tels que les condensateurs chimiques ont commencé à se dégrader.
Cela peut évidement être aussi un composant plus classique tel qu’une résistance ou une puce qui est en train de mourir mais c’est plus rare.
La piste des condensateurs chimiques reste un bon point de départ surtout quand c’est de l’électronique qui est catégorisée « grand public » et qui a 40 ans.
S’il y a d’autres soucis, ça écartera déjà des problèmes potentiels liés à l’age de l’électronique.
J'ai également constaté que le bouton d'alimentation en façade avait tendance à se coincer et à rester bloqué en position "allumé" (positon enfoncée).
Quand j'appuyais dessus lorsqu'il était en position "allumé" pour le passer en position "éteint", le bouton
restait en positon "allumé".
Il était donc temps de rafraîchir tout ça et d’en profiter pour analyser comment c’est foutu à l’intérieur de cet appareil.
Démontage et analyse de l'intérieur :
Mais comment ouvre-t-on ce Minitel pour voir comment c’est dedans ?
Voici la procédure agrémentée de commentaires sur ce qu’on peut voir :
Mettre le Minitel avec son côté arrière face à vous et retirer l’unique vis présente.
Dans les trous des deux côtés, insérer un petit tournevis plat et faire levier.
Cela va déverrouiller la partie supérieure du boîtier qui va se lever légèrement :
Côté droit :
Côté gauche :
Finir de lever à la main la partie supérieure du boîtier.
La partie supérieur ne tient plus qu’avec des crochets sur le reste du boitier.
Il est possible de l’enlever totalement.
Alors … déjà un truc assez bizarre dans la conception de ce boitier.
Ok il y a un grillage pour limiter l’accumulation de poussière sur l’électronique.
Mais pourquoi avoir choisi de mettre un grillage métallique qui va se trouver à quelques centimètres d’un circuit imprimé ?!
La pièce pour le bouton à glissière s’emboire directement dans l’axe de ce dernier situé sur le circuit en dessous.
L’autre pièce est un cache qui a été emboîté.
Sur le circuit imprimé, on peut voir qu’un autre potentiomètre à glissière a vraiment été prévu.
Pour le fun, on aura pu en mettre un et voir ce qu’il se passe mais on voit qu’il manque d’autres composants à côté.
Le circuit dont je parle depuis le début :
Il est de grande taille.
Il y a un cache papier dessus qui présente des taches d’humidité. De l’eau aurait coulé dessus ? Il y a même des traces sur le circuit imprimé.
Ce circuit est attaché à un châssis métallique qui permet de le faire pivoter pour la maintenance.
Arrivé à une butée, il ne peut pas plus pivoter et doit, en l’état, être maintenu en l’air pour pouvoir l’observer.
En fait, cette butée est la neckboard.
Pour pouvoir faire pivoter totalement le gros circuit, il faut déboîter la neckboard qui est connectée au bout du tube cathodique.
Mais avant cela, il convient de décharger la THT du tube cathodique encore connecté pour éviter tout risque d’électrocution pendant la manipulation.
Il est possible de décharger la THT soit même mais si vous ne vous sentez pas serein de le faire, ne le faites pas. L’opération peut être mortelle si on ne sait pas ce qu’on fait.
1) Utiliser un câble avec des pinces crocodiles et un tournevis plat sans isolation plastique sur l’axe.
2) Connecter le câble à l’axe du tournevis et à une masse proche du transformateur THT
3) Insérer le bout du tournevis sous la tétine d’alimentation en THT du tube cathodique vers le milieu pour que le tournevis touche le contact électrique. Si vous entendez un petit bruit de décharge électrique (un "PAC !"), c’est normal.
4) Rester quelques secondes en contact pour bien décharger et vous pouvez retirer le tournevis.
C’est bon, vous avez déchargé la THT et vous êtes toujours vivant !
On peut désormais s’occuper de déconnecter la neckboard.
On voit que ses soudures sont très proches d’une pièce métallique qui a un trou avec le pas de vis pour la vis retirée tout à l’heure.
Si on retire en l’état la neckboard et qu’il y a encore un léger résidu d’électricité dans les condensateurs, ça risque de faire des étincelles et peut-être des dégâts.
Ça aurait été bien un petit cache plastique entre la neckboard et cette pièce métallique quand même …
Mettre un bout de carton entre la neckboard et la pièce métallique avant de continuer.
Personnellement, je l’ai carrément laissé après avoir fini la remise en état de ce Minitel. Si j’ai besoin d’intervenir sur l’électronique à nouveau, ça sera une sécurité déjà présente.
Tirer délicatement la neckboard pour qu’elle se déconnecte du tube cathodique.
On peut désormais faire pivoter complètement le gros circuit.
Ce dernier reste désormais en place tout seul.
On peut commencer correctement l’analyse de ce gros circuit.
Vu la présence de plusieurs transformateurs, de câbles qui vont vers le tube cathodique et condensateurs chimiques un peu partout, il s’agit du circuit qui gère l’alimentation et l’affichage vidéo analogique.
Sur le côté droit, on trouve une étiquette avec une référence "11 SF 178 56160" et un datecode au 8525 permettant d'estimer la fabrication de ce circuit à la 25e semaine de 1985, soit Juin 1985.
En haut à gauche, il y a une autre étiquette avec la référence "3111 178 5616" et "722821 M".
Deux transformateurs sont présents :
- Celui de l'alimentation à découpage avec la référence "3111 108 34640" et un datecode à la 20e semaine de 1985, soit mi-Mai 1985 :
- Celui de l'alimentation THT avec la référence "3111 108 34580" et un datecode à la 17e semaine de 1985, soit fin Avril 1985 :
L'étiquette s'est décollée lors de la manipulation. Je l'ai remise en place avec un bout de ruban adhésif.
L'alimentation à découpage est gérée par un contrôleur TEA 1039 (datasheet) difficile à voir en face.
En haut, on a deux puces logiques avec :
- une logique TTL 74LS08 (datasheet) de la série 74 qui contient 4 portes AND à 2 entrées.
- une logique CMOS 4053 (datasheet) de la série 4000 qui contient 3 multiplexeurs à deux canaux.
Tout le reste, c'est des condensateurs majoritairement de chez Philips, des résistances, des transistors et un optocoupleur en plein milieu du circuit.
Sur le module soudé perpendiculairement au circuit, une fois dessoudé on y voir du monde :
On trouve ici une puce TDA2593 (datasheet) de gestion de la synchronisation et de la déflexion horizontale pour les écrans à tube cathodique couleur.
C'était tout pour l'analyse de l'électrique d'alimentation et de gestion vidéo.
Mais on voit qu'il y a encore d'autres circuits à analyser :
Pour y accéder, il faut déjà remettre le circuit d'alimentation et de gestion vidéo en place puis remettre la coque en plastique.
Sans remettre l'unique vis à l'arrière, retourner ensuite le Minitel :
Puis refaire l'opération de retrait des languettes de verrouillage pour déboiter la coque inférieure (qui est en haut ici vu que le Minitel est retourné).
La coque inférieure est désormais débloquée :
En levant la coque inférieure, la prise Péritel va se déloger.
C'est normal. Elle est insérée dans la coque inférieur et est reliée à l'électronique situé sous la coque supérieure qu'on a vu précédemment.
Le fait de tirer la coque inférieure vers le haut va la faire glisser hors de son logement.
Il sera possible de la remettre en place plus tard en remettant le Minitel dans le bon sens et en retirant à nouveau la coque supérieure.
Lever ensuite délicatement la coque inférieure. On a maintenant accès à l'intérieur.
L'électronique en haut qui est fixée à la coque inférieure est la partie logique et d'interface avec le clavier externe :
L'électronique en bas, reliée à l'arrière du tube cathodique, est la neckboard :
Si ce n'a pas été fait comme décrit plus haut, il est possible de la déconnecter du tube pour l'analyser en tirant délicatement dessus. (Ne pas oublier de décharger la THT avant !)
Pour la remettre en place, il faut bien aligner le connecteur femelle du circuit et celui mâle du tube cathodique.
Une fois que c'est bien aligné, il faut réinsérer les contacts du connecteur mâle du tube dans le connecteur femelle du circuit.
On peut s'aider d'un objet pour pousser juste sous le connecteur femelle du circuit vers le connecteur mâle du tube.
C'est mieux d'éviter d'appliquer une force sur les côtés du circuit imprimé pour les contacts du tube s'emboitent et c'est mieux aussi d'utiliser un objet pour pousser au lieux des doigts directement pour éviter de se prendre un courant résiduel.
Le tube cathodique a été fabriqué par Philips et porte la référence "A29-100X/2015" :
En cherchant des informations de ce tube sur Internet, on tombe sur une page du Radiomuseum qui indique que ce tube a également été utilisé en 1989 dans un modèle de télévision italienne "Algol 11" fabriqué par plusieurs fabricants locaux dont Brionvega.
Lien Radiomuseum : https://www.radiomuseum.org/r/brionvega_algol_11_tvc_11r.html
On peut trouver certains exemplaires de cette télévision sur LeBonCoin à des prix totalement stupides :
Revenons sur la partie logique et d'interface avec le clavier externe :
Pour l'analyser plus convenablement, il convient de la démonter du reste de l'écran.
En l'air comme ça, c'est pas très pratique.
Il faut déconnecter ces deux connecteurs qui servent à l'alimentation et à envoyer le signal vidéo généré par la partie logique vers l'électronique d'affichage vidéo.
Curieusement, la nappe d'un de ces connecteurs n'a pas tous ses contacts de reliés.
Il faut également déconnecter l'interrupteur d'alimentation qui est connecté au circuit d'alimentation.
La coque inférieure avec toute l'électronique en place peut être retirée du reste du Minitel en la délogeant des encoches suivantes :
Là maintenant, c'est plus pratique.
Sur le côté gauche de la photo, il y a une grosse étiquette avec les inscriptions :
3111 178 5600
11 CFZ 201
Code industriel : 231 702 208754
Juste à côté, moulé dans la coque, on trouve l’inscription « Philips Flers » ainsi qu’une date de fabrication à Avril 1985.
Ce Minitel a peut-être été fabriqué là bas, ou au moins sa coque, en Avril 1985.
Il a été fabriqué au même endroit à quelques mois d'intervalle de mon Minitel 1 "La Radiotechnique 9 NFZ 300" qui possède le même type de marquage dans le moulage de son boitier.
En haut à droite, on a le bouton d'alimentation.
Le bouton d'alimentation en façade actionne un interrupteur de type "bouton poussoir à verrouillage de position".
Pour le retirer de son emplacement, il suffit de retirer les connecteurs Faston rouges, de pousser les languettes verticales qui maintiennent l'interrupteur en place et de le lever pour le retirer.
Le bouton beige carré accessible en façade est juste emboité dans l'axe de l'interrupteur et se déloge en tirant doucement dessus.
En essayant de l'actionner, on sent qu'il a tendance à coincer.
Quand on appuie dessus lorsqu'il est en position "ON" (bouton enfoncé) pour rebasculer l'interrupteur en position "OFF" (bouton non enfoncé), il reste en positon "ON" (enfoncée).
L'interrupteur est donc à remplacer.
Maintenant, l'électronique :
On voit 2 circuits imprimés différents :
- Celui de gauche est l'électronique logique et de gestion du modem.
- Celui de droite est l'interface pour le clavier externe.
Juste à côté de l'électronique logique et modem, on retrouve la découpe rectangulaire pour un possible module enfichable.
On voit sur le haut de la découpe un emplacement rond pour accueillir une vis et fixer quelque chose.
L'interface du clavier externe est reliée à l'électronique logique via 2 nappes déconnectables.
L'arrivée téléphonique (le gros câble gris) connecté à la prise téléphonique murale et un connecteur téléphone femelle pour connecter un téléphone qui va faire la numérotation sont connectés au circuit imprimé qui contient l'électronique du modem.
Une capsule piézo-électrique est reliée à l'électronique logique. Elle sert à faire les "bips".
Pour pouvoir mieux manipuler les circuits imprimés et voir s'il y a des informations côté soudures actuellement non visible, il faut retirer ces circuits du boitier.
1) On peut commencer par retirer les 2 pièces de verrouillage en plastique qui maintiennent en place les circuits.
Le câble de la capsule piézo-électrique est enroulé sur une des pièces de verrouillage.
Il faut le retirer et déconnecter la capsule.
Ces pièces de verrouillage sont maintenues en place par des encoches sous le Minitel, donc sous cette partie du coffret en plastique.
Les encoches peuvent être délogées avec une pince.
On remarquera qu'il y a un 3e emplacement d'attache de pièce de
verrouillage qui n'est pas utilisé parce qu'il y a le circuit
d'interface du clavier externe derrière et qu'il n'a pas de trou pour
accueillir une pièce de verrouillage.
Pour information :
Ces pièces de verrouillage sont les mêmes que celles dans les Minitels 1 "La Radiotechnique 9 NFZ 300" et très probablement dans d'autres Minitel 1 "9 NFZ xxx" similaires de La Radiotechnique.
Une pièce de verrouillage dans un Minitel 1 "La Radiotechnique 9 CFZ 300"
Il y a donc moyen d'en trouver en remplacement si on en casse une.
Au pire, vu la forme, cela ne devrait pas être trop compliqué à réaliser en impression 3D.
2) Une pièce permettant de faire tenir les nappes d'alimentation et de signal vidéo précédemment déconnectées est à tourner pour pouvoir lever et déloger le circuit d'électronique logique.
3) Les circuits imprimés ne sont plus bloqués en place. On peut déconnecter les connecteurs de l'interface du clavier externe qui y sont encore branchés sur le circuit de l'électronique logique et déloger le circuit de l'interface clavier en tirant doucement.
4) Il faut ensuite retirer le tout petit circuit imprimé avec la LED rouge en façade. Oui, un circuit imprimé juste pour ça.
Ce circuit tient d'ailleurs en travers. C'est bizarre.
La nappe de ce petit circuit imprimé est reliée directement au circuit imprimé de l'électronique logique sans connecteur.
Attention donc à ne pas casser la connexion. Si non, il faudra ressouder.
5) Déconnecter les connecteurs des arrivés et sorties téléphoniques.
6) On peut ensuite déloger le circuit de l'électronique logique et du modem en le tirant doucement.
On peut procéder plus proprement maintenant à l'analyse de ces circuits.
Commençons par le circuit de l'électronique logique, de génération vidéo et du modem :
En haut, il y a deux étiquettes avec des références.
La première, avec marqué "11 FR 178 55990" et un datecode 8524 permettant de
supposer ce que circuit a été fabriqué la 24e semaine de 1985, soit en Juin 1985.
La seconde, avec les références "3111 178 5599" et "722515 M".
En bas du circuit, on trouve les inscriptions "3111 176 1463.5" et "9 NFZ 201/5" .
Quoi ?! "9 NFZ 201" ???
Une référence en "9 NFZ", c'est pour les Minitels 1 noir et blanc !
Ce pourrait-il que ce Minitel couleur soit en fait basé sur des pièces de Minitel noir et blanc à référence "9 NFZ quelquechose" ? Mystère !
Côté soudures, on trouve des références internes 3111 176 1464 probablement pour le vernis de masquage et 3111 173 3230 pour le routage du circuit imprimé ainsi qu'à nouveau cette référence étrange "9 NFZ 201/5".
Parlons maintenant des composants qu'on peut trouver ici.
Cette plaque de circuit imprimé peut être divisée en deux parties :
- La partie du dessus avec l'électronique logique et de génération vidéo.
- La partie inférieure avec le modem.
D'abord la partie supérieure avec l'électronique logique et de génération vidéo :
Ce Minitel tourne grâce à un microcontrôleur P-8031 fabriqué par MHS. C'est un équivalent du Intel 8031 de la famille MCS-51 qui existe depuis 1980.
Le 8031 est une version ROMLESS du 8051 qui fait appel à une ROM externe pour son programme.
Il possède seulement 128 octets de RAM interne.
Plus d’infos sur les puces de la famille MCS-51 : https://fr.wikipedia.org/wiki/Intel_8051
Et là aussi : https://en.wikipedia.org/wiki/MCS-51
Il possède seulement 128 octets de RAM interne.
Plus d’infos sur les puces de la famille MCS-51 : https://fr.wikipedia.org/wiki/Intel_8051
Et là aussi : https://en.wikipedia.org/wiki/MCS-51
Datasheet du Intel 8031 (et des autres puces de la série MCS-51) : PDF
Pas très loin du microcontrôleur, il y a un quartz de 7 MHz qui cadence son fonctionnement.
En parlant de la ROM externe, celle-ci est juste à côté.
C'est une 2732 de 4 Ko. Elle porte une étiquette avec l'inscription "Bs0".
La valeur "Bs0" correspond à l’identifiant de la ROM.
On retrouve ce code pour les Minitels 1 couleur de La Radiotechnique (appelée TRT) décrits dans la documentation technique des Spécifications Techniques d’Utilisation du Minitel 2 (STUM2) :
Le contenu de cette ROM a été sauvegardé.
La partie génération vidéo est réalisé le couple de contrôleurs graphiques EF9340 et EF9341 (datasheet) fabriquées par Thomson.
C'est la même configuration graphique que le Minitel 1 à clavier ABCD « Telic-Alcatel TAE VB9.AE ».
La puce EF9341 reçoit les ordres des caractères à afficher de la part du microcontrôleur et s’occupe de les générer graphiquement. Puis la puce EF9340 les met en forme dans un signal vidéo analogique.
On voit qu'il faut 1 Kilo de RAM 16 bits pour le fonctionnement cette partie vidéo.
Il y a 4 puces RAM 2114 de 1 k de 4 bits chacune pas très loin, soit 1 K de RAM en agencement 16 bits.
On peut donc en déduire ces RAM 2114 sont pour la vidéo.
Encore comme pour le Minitel 1 à clavier ABCD « Telic-Alcatel TAE VB9.AE ».
La puce EF9340 sort des signaux vidéo RVB et les signaux de synchronisation.
Ce couple de puces ne gère que le mode 40 colonnes.
Ce couple de puces ne gère que le mode 40 colonnes.
Les évolutions futures apporteront le mode 80 colonnes utilisés à partir du Minitel 1B.
La puce EF9340 qui génère le signal vidéo demande un signal d’horloge à 3,5 MHz.
On comprend pourquoi un quartz de 7 MHz a été utilisé pour le microcontrôleur 8031. En divisant le signal 7 MHz par 2, on obtient 3,5 MHz, soit ce que demande la puce EF9340 pour la génération des signaux vidéos.
La puce EF9340 qui génère le signal vidéo demande un signal d’horloge à 3,5 MHz.
On comprend pourquoi un quartz de 7 MHz a été utilisé pour le microcontrôleur 8031. En divisant le signal 7 MHz par 2, on obtient 3,5 MHz, soit ce que demande la puce EF9340 pour la génération des signaux vidéos.
La puce EF9341 de génération de caractères contient déjà tous les caractères utilisés en Videotex.
En dessous du microcontrôleur, on trouve une puce EF68B50 (PDF) qui permet d’obtenir une interface série qui permet de communiquer avec la puce modem présentée plus bas.
Le EF68B50 est la version 2,0MHz du EF6850 qui fonctionne de base à 1,0 MHz.
Étrangement, il y a une puce RAM 2114 seule de l'autre côté du circuit à côté de la ROM.
Cela donne 1 K de RAM 4 bits accessible par le microcontrôleur.
Mais juste à côté, il y a une puce TTL 74LS175 (PDF) qui contient 4 bascules D dont une seule bascule D serait utilisée probablement servir de bank-switcher 1 bit permettant de stocker alternativement les 4 bits supérieurs puis inférieurs d'un octet (mot de 8 bits).
Ce qui fait qu'on aurait 512 octets de RAM supplémentaire utilisée par le microcontrôleur.
Tout ça c'est juste une supposition. Je n'ai pas fait les vérifications techniques poussées à ce sujet.
Un peu plus loin, on trouve une puce TL7705ACP (PDF).
C'est un watchdog de la famille des TL77xxA qui contrôle la tension du +5V et qui agit sur le RESET du microcontrôleur. En cas de tension +5V trop basse, sous les +4.55V dans le cas présent, le microcontrôleur est bloqué dans un état de RESET et ne démarre pas.
A coté, une puce MCM2801P (PDF).
C'est une EEPROM série organisée en 16 mots de 16 bits ou, avec un agencement en octets, de 32 octets.
Elle sert à stocker les 2 emplacements mémoire de 16 octets accessibles par le serveur Minitel auquel le Minitel est connecté.
On voit que cette puce est sur un support.
Je ne pense que ça soit prévu pour permettre à l'utilisateur à remplacer de temps en temps cette puce.
Je me demande si c'est pas plutôt prévu pour mettre une puce pré-programmée avec un identifiant spécifique par Minitel comme pour des services Minitel internes en entreprise avec une identification sans login ?
Par exemple : le Minitel se connecte au service interne des laissez-passer A38 d'une administration et le service peut identifier que c'est le Minitel du guichet 1 avec la valeur en mémoire "GUICHET1" pour indiquer que ce laissez-passer est à aller chercher dans un autre guichet.
Puis on trouve quelques puces logiques TTL série 74 diverses sur le reste du circuit :
- 74LS00 (datasheet) : 4 portes logiques NAND à 2 entrées
- 74S04 (datasheet) : 6 portes logiques inverseuses
- 74LS05 (datasheet) : 6 portes logiques inverseuses à collecteur ouvert
- 74LS14 (datasheet) : 6 portes logiques inverseuses Schmitt
- 74LS32 (datasheet) : 4 portes OR à 2 entrées
- 74LS93 (datasheet) : Compteur binaire 4 bits
- 74LS175 (datasheet) : 4 bascules type D (j'en ai déjà parlé précédemment mais ça va avec le lot de puces TTL 74).
- 74LS373 (datasheet) : 8 bascules type D
Au final, pas mal de choix de composants pour cette partie logique du Minitel 1 couleur viennent du Minitel 1 à clavier ABCD « Telic-Alcatel TAE VB9.AE ».
Les quelques changements majeurs sont :
- Le passage d'un microcontrôleur 8039 de la famille MCS-48 à un nouveau microcontrôleur 8031 de la série MCS-51.
- L'utilisation d'une interface série EF68B50 au lieu de 2 EF6850 (changement de référence et de quantité).
Ensuite, sur ce circuit imprimé, nous avons la partie inférieure avec toute l'électronique analogie pour le modem :
Le cœur de cette partie modem est la puce EFB7512PL qui est un modem "tout-en-un".
Je l'avais déjà croisée dans un Minitel 1 « La Radiotechnique 9 NFZ 300 ».
Les seules informations que j'ai à son sujet sont des scans d'articles de magazine qui en parlent.
Dans « Micro et Robots » n°5 de Mars 1984, on apprend qu’il peut être interfacé directement avec la puce EF6850.
La puce EF68B50 présente y est donc reliée.
Source : https://www.oric.org/ftp/ceo/ceomag/downloads/micro_et_robots/1984/m&r05-1984-03-ocr.pdf
Autre article au sujet de cette puce dans « Micro Systèmes » n°39 de Février 1984 :
Source : https://www.oric.org/ftp/ceo/ceomag/downloads/micro-systemes/1984/ms39-fevrier84-ocr.pdf
Source : https://www.oric.org/ftp/ceo/ceomag/downloads/micro_et_robots/1984/m&r05-1984-03-ocr.pdf
Source : https://www.oric.org/ftp/ceo/ceomag/downloads/micro-systemes/1984/ms39-fevrier84-ocr.pdf
A coté, on a deux puces TL084 (datasheet) qui sont des quadruple AOP à large bande.
Il y a un module monté en angle qui contient une puce TL082 (datasheet) qui est un double AOP à large bande.
Passons au circuit d'interface du clavier externe :
Il y a une étiquette marquée 107 15420 et un datecode 2285 permettant de supposer ce que circuit a été fabriqué la 22e semaine de 1985, soit fin Mai 1985.
Coté soudures de ce circuit, on trouve juste la référence 106 H818 1 et 106 8817 1.
Ce sont probablement des références internes à La Radiotechnique pour le routage du circuit et l'autre pour le masque de vernissage.
En plein milieu de circuit imprimé, on trouve un microcontrôleur MAB 8048H, un équivalent de chez Philips du Intel 8048 de la famille MCS-48.
Il possède une ROM interne de 1 Ko et une RAM de 64 octets.
Son fonctionnement est cadencé par un quartz de 6 MHz.
Datasheet du Intel 8048 : PDF
Datasheet du Philips MAB 8048 : PDF
La famille de composants MCS-48 existe depuis 1976 et été longtemps un standard de l’industrie avec la famille MCS-51.
Ce famille de microcontrôleurs n’est plus produite par Intel depuis les années 90 et aucun fabricant à ma connaissance ne fabrique des puces de cette famille aujourd’hui qui été totalement remplacée par les puces de la série MCS-51 toujours produites.
Datasheet du Philips MAB 8048 : PDF
La famille de composants MCS-48 existe depuis 1976 et été longtemps un standard de l’industrie avec la famille MCS-51.
Ce famille de microcontrôleurs n’est plus produite par Intel depuis les années 90 et aucun fabricant à ma connaissance ne fabrique des puces de cette famille aujourd’hui qui été totalement remplacée par les puces de la série MCS-51 toujours produites.
A côté du microcontrôleur, on trouve une puce MCM6810P (datasheet) qui est une RAM de 128 octets.
La RAM interne au microcontrôleur étant probablement réservée déjà à son fonctionnement, cette RAM sert peut-être de buffer aux entrées clavier reçues.
Puis on a deux puces logiques TTL série 74 :
- 74LS244 (datasheet) : Buffer 8 canaux à 3 états.
- 74LS257 (datasheet) : Multiplexeur 2 x 4 entrées vers 4 sorties.
Et voilà pour l'analyse de la partie écran !
Pour le remontage, c'est toute la procédure précédemment décrite mais à l'envers.
Au tour du clavier maintenant :
Pour accéder à l’intérieur, il y a 3 vis à retirer par dessous.
La coque supérieure du clavier peut ainsi être retirée et donne accès à l'intérieur :
On voit que le clavier est relié par deux nappes à un circuit qui contient une grosse puce et quelques composants autour.
Le circuit est juste posé en place. Il suffit de le lever pour le déloger du boitier.
On peut le déconnecter du clavier pour l'analyser plus facilement.
Il y a une étiquette marquée 107 15370 et un datecode 1885 permettant de
supposer ce que circuit a été fabriqué la 18e semaine de 1985, soit fin Avril / début Mai 1985.
Il y a une grosse puce au milieu, un autre microcontrôleur MAB 8048H, équivalent du Intel 8048, cadencé par un quartz de 6 MHz.
Il sert ici d'encodeur des combinaisons reçues via les nappes du
clavier pour les envoyer à la partie écran à l'autre microcontrôleur MAB
8048H via le câble.
Estimation de la date de fabrication :
Avec ces informations trouvées :
- un boitier plastique fabriqué en Avril 1985.
- un circuit d'alimentation et d'affichage vidéo daté de Juin 1985.
- un circuit d'interface du clavier externe daté de fin Mai 1985.
- un circuit logique, de génération vidéo et du modem daté de Juin 1985.
- un circuit du clavier daté de fin Avril / début Mai 1985.
On peut estimer que ce Minitel a été terminé d'être fabriqué en Juin 1985.
Analyse des similitudes avec le Minitel noir et blanc La Radiotechnique "9 NFZ 201" :
En analysant la partie logique et modem de ce Minitel couleur, on a vu qu’il y avait écrit dans le coin de la PCB l’inscription « 9 NFZ 201 / 5 ».
Comme dit plus haut, cette inscription avec son « 9 NFZ » correspond à un modèle de Minitel noir et blanc produit à la même époque.
Quelques temps après avoir fait cette découverte, j’ai vu passer sur LeBonCoin un Minitel 1 noir et blanc modèle « La Radiotechnique 9 NFZ 201 » avec la même référence que j’ai trouvé dans mon Minitel 1 à écran couleur.
J'ai sauté dessus avant que quelqu'un d'autre ne le prenne pour pouvoir faire des comparaisons avec mon Minitel 1 Couleur !
Il est arrivé en état correct sauf une fêlure en haut à gauche l'écran et fonctionnel !
A peine posé sur mon bureau, je l'ai démonté pour analyser son circuit imprimé avec l'électronique logique et modem !
On retrouve exactement la même inscription en bas du circuit imprimé :
Sur le circuit imprimé du "9 NFZ 201" :
Sur le circuit imprimé du "11 CFZ 201" :
Maintenant, c'est certain :
Le Minitel 1 Couleur "La Radiotechnique 11 CFZ 201" et ce Minitel partagent bien la même carte logique/modem !

Il y a cependant des petites différences :
- sur le M1 n&b "9 NFZ 201", il y a un microcontrôleur MCS-51 8051 qui intègre directement la ROM de 4Ko.
- un des connecteurs de clavier est positionné à un endroit différent.
- de l'électronique en plus sur le M1 N&B probablement pour la conversion couleur RVB vers n&b.
Côté clavier, c'est le même modèle entre le "9 NFZ 201" et le "11 CFZ 201" :
Clavier du Minitel 1 couleur "11 NFZ 201" :
Clavier du Minitel 1 n&b "9 CFZ 201" :
Il y a donc moyen de récupérer un clavier sur un "9 NFZ 201" pour remplacer celui du clavier externe du "11 CFZ 201".
Faire l'inverse, dépouiller le clavier d'un Minitel 1 couleur "11 CFZ 201" pour un "9 NFZ 201" sera dommage par contre.
Avec ce qu'on vient de voir, je pense qu'on peut donc dire que le Minitel 1 couleur "11 CFZ 201" a été conçu à partir du "9 NFZ 201".
Remise en état de l'électronique :
Avec son électronique qui commençait à montrer des signes de faiblesse à cause de l'age, il était temps de s'en occuper.
Pour une machine avec de l'électronique grand public qui a 40 ans, c'était déjà pas mal qu'elle marche encore un peu.
Les seuls problèmes constatés étaient liés à l'image à l'écran donc des problèmes liés à l'alimentation ou au traitement du signal analogique vidéo et le bouton d'alimentation qui coince.
Je n'ai eu aucun soucis sur le comportement de l'électronique logique. Une fois l'électronique vidéo "chaude" me donnant une image correcte, je pouvais me connecter à mon serveur Minitel et effectuer les actions que je voulais.
Avec des problèmes d'affichage vidéo et une électronique qui a 40 ans, on peut déjà partir sur un remplacement des condensateurs chimiques qui sont connus pour se dégrader avec le temps.
Lors de l'analyse de l'électronique, j'ai noté 47 condensateurs chimiques. Ça fait pas mal !
Avec son électronique qui commençait à montrer des signes de faiblesse à cause de l'age, il était temps de s'en occuper.
Pour une machine avec de l'électronique grand public qui a 40 ans, c'était déjà pas mal qu'elle marche encore un peu.
Les seuls problèmes constatés étaient liés à l'image à l'écran donc des problèmes liés à l'alimentation ou au traitement du signal analogique vidéo et le bouton d'alimentation qui coince.
Je n'ai eu aucun soucis sur le comportement de l'électronique logique. Une fois l'électronique vidéo "chaude" me donnant une image correcte, je pouvais me connecter à mon serveur Minitel et effectuer les actions que je voulais.
Avec des problèmes d'affichage vidéo et une électronique qui a 40 ans, on peut déjà partir sur un remplacement des condensateurs chimiques qui sont connus pour se dégrader avec le temps.
Lors de l'analyse de l'électronique, j'ai noté 47 condensateurs chimiques. Ça fait pas mal !
Version PDF : Minitel 1 couleur La Radiotechnique 11 CFZ 201 - Composants d'origine et de remplacement.pdf
On a ici essentiellement des condensateurs à usage général de marque Philips. Ce n'est pas très étonnant vu que La Radiotechnique appartient à cette époque en grosse partie à Philips.
Il y a quelques exceptions avec des condensateurs chimiques japonais de chez Nippon Chemi-con et Sun et un condensateur de marque RDE. Vu qu'il n'ont pas de particularité par rapport aux condensateurs Philips utilisés, je pense que leur choix est lié à un manque de stock de condensateurs Philips lors de la fabrication de cet appareil.
On a ici essentiellement des condensateurs à usage général de marque Philips. Ce n'est pas très étonnant vu que La Radiotechnique appartient à cette époque en grosse partie à Philips.
Il y a quelques exceptions avec des condensateurs chimiques japonais de chez Nippon Chemi-con et Sun et un condensateur de marque RDE. Vu qu'il n'ont pas de particularité par rapport aux condensateurs Philips utilisés, je pense que leur choix est lié à un manque de stock de condensateurs Philips lors de la fabrication de cet appareil.
Pour remplacer les condensateurs axiaux, je vais prendre des condensateurs radiaux que je disposerai de telle sorte qu'ils puissent être montés dans des emplacements axiaux.
Les radiaux sont bien moins chers et faciles à trouver que les axiaux.
Dans ce Minitel, on a que de l'électronique basique sans exigence
particulière. Je n'ai pas vu de condensateurs avec des caractéristiques
électriques particulières, telles que le fait d'être "low ESR". Juste une capacité et une tension à respecter donc on est assez libres.
On peut remplacer un condensateur "general purpose" par un "low ESR" sans conséquences ici si on en trouve plus facilement et moins cher.
Pour les condensateurs chimiques neufs, j’ai sélectionné des
condensateurs radiaux Nichicon de série "UVR" (Miniature sized) (datasheet), "UCY" (Miniature sized, long life, high ripple current, high temp) (datasheet) et "UKL" (Low leakage current) (datasheet) et Panasonic de série "M-A" (General purpose) (datasheet) et "FR-A" (Low ESR) (datasheet).
Donc ce qui me décidait entre Nichicon et Panasonic ou une série et une autre était juste le prix et la disponibilité.
Donc ce qui me décidait entre Nichicon et Panasonic ou une série et une autre était juste le prix et la disponibilité.
Pour les valeurs courantes que je ne trouvais pas chez Nichicon ou Panasonic ou exotiques telles que du 3,3 μF ou 6,8 μF que Philips aimait bien utiliser dans ses appareils vidéos, j'ai pris chez Wurth Elektronik, dans la série WCAP-ATG8 (datasheet).
C'est une marque d'origine Allemande connues pour leurs condensateurs de couleur rouge et qui propose des références dans les condensateurs à usage général avec des valeurs peu courantes.
N'ayant jamais utilisé des condensateurs de cette marque, j'ai fait une petite recherche sur leur réputation.
D'après les forums techniques que j'ai parcouru, il semblerait qu'ils sont considérés comme des condensateurs corrects pour de l'usage courant et à peu près équivalent à ceux qu'on retrouvait dans le électronique européenne grand public des années 80.
C'est donc l'équivalent aux condensateurs Philips de ce Minitel et donc une bonne occasion pour tester cette marque.
Comme pour le Minitel 1 à clavier ABCD «Telic-Alcatel TAE VB9.AE», il y avait des condensateurs utilisant des connexions de montage avec une disposition peu courante appelée « mounting ring » prévue pour supporter de grosses vibrations.
Cela ne posera pas de problème que j’utilise désormais des condensateurs avec des connexions plus ordinaires vu que je n’ai pas l’intention de faire trimbaler mon Minitel dans un colis un peu partout comme lorsque ce Minitel est parti de l'usine vers une agence France Telecom ou de lui faire faire un tour dans la machine à laver.
Ce type de connexion a probablement été décidé originalement pour éviter que les soudures ne s’abîment entre la sortie d’usine et l’arrivée chez l’utilisateur avec toutes les vibrations dues au déplacement.
Ce condensateur avec ce type de montage en « mounting ring » semble être toujours fabriqué par la marque Vishay qui propose une référence avec leurs condensateurs dits « Form MR » ("forme en mounting ring" en Franglais) de la série 021 ASM (datasheet) avec exactement les mêmes dimensions.
J'ai un 4700μF/16V et un 68μF/385V (celui de la photo au dessus) à remplacer.
Une référence pour le 4700μF/16V existe :
Je pourrais tenter d'en commander pour avoir exactement la pièce de replacement mais il ne doit pas y avoir beaucoup de demande pour ce type de composant.
Les seuls formats de vente que j'ai trouvé au moment de la rédaction de ce compte-rendu sont par lot de minimum 720 unités.
Il va falloir que je m'occupe de beaucoup de Minitels pour écouler ce stock si j'en commande !
La valeur peu courante en 68 μF ainsi qu'une tension élevée font que je n'ai trouvé aucune référence de condensateur 68 μF compatible dans la série des condensateurs Vishay « Form MR » qui va que jusqu'à 100V.
Pour l'interrupteur à remplacer, celui-ci n'est plus produit depuis longtemps et je n'ai pas trouvé de pièce directement compatible.
Sur le Minitel 1 « La Radiotechnique 9 NFZ 300 », j'avais utilisé un interrupteur similaire et légèrement plus petit de chez C&K dans la série NE-18 (datasheet).
Il me restait un exemplaire en stock de cet interrupteur.
Je l'ai comparé visuellement avec l'interrupteur d'origine.
L'axe de l'interrupteur C&K a la même largeur celui d'origine. Le bouton carré rentre parfaitement dedans.
L'interrupteur C&K ne tient pas en place dans l'ancien emplacement parce qu'il est moins large mais il est parfaitement aligné avec le trou carré de la façade.
Il faudra réaliser une pièce adaptatrice pour qu'il tienne dans l'emplacement prévu pour l'ancien interrupteur.
Il y aurait donc moyen de réussir quelque chose.
Une fois toutes les nouvelles rassemblées, c'était partit pour le remplacement des anciens condensateurs !
Dans l'écran :
- La partie gestion vidéo et alimentation :
Avant :
Après :
Pour les condensateurs axiaux montés en radial, il était tout à fait possible d'utiliser directement des condensateurs radiaux.
Remplacement des condensateurs "mounting-ring" par des condensateurs radiaux normaux :
Le module de gestion de la gestion de la déflexion horizontale et de la synchro vidéo :
Avant / Après
- La neckboard connectée au tube :
Avant :
Après :
La partie vidéo et alimentation, c'est fait !
Maintenant, la partie logique et interface avec le clavier externe :
- La partie logique :
Avant / Après
Si on utilise des condensateurs radiaux à la place des axiaux pour ces derniers, attention avec les fils des connexions qui ne doivent pas toucher les pistes qui ne sont pas protégés par un vernis !
Si non, c’est court-circuits assurés et de possibles gros dégâts dans le reste de l’électronique.
Si non, c’est court-circuits assurés et de possibles gros dégâts dans le reste de l’électronique.
- Le circuit d'interface avec le clavier externe :
Il n'y avait qu'un seul condensateur à remplacer ici :
Dans le clavier :
Remplacement des condensateurs, c'est fait !
Truc utile à savoir :
J'utilise d'habitude un pistolet à dessouder mais j'ai eu beaucoup de mal à l'utiliser ici pour dessouder les anciens condensateurs. J'ai eu de bien meilleurs résultats en utilisant de la bonne vielle tresse à dessouder.
Il reste l'interrupteur d'alimentation à remplacer par le nouvel interrupteur de chez C&K série NE-18.
J'ai pris des mesures du nouvel interrupteur dans l'emplacement pour l'ancien pour créer un adaptateur.
Puis j'ai réalisé en impression 3D un adaptateur en 2 pièces.
La première pièce (en violet) centre le nouvel interrupteur et fait que les contacts sous interrupteur qui ont été coupés ne sont pas accessibles.
Fichier STL : Adaptateur interrupteur 11CFZ201 - Piece 1.stl
La seconde pièce (en translucide) permet de bloquer la première pièce en place avec les encoches du boitier du Minitel.
Fichier STL : Adaptateur interrupteur 11CFZ201 - Piece 2.stl
J'ai imprimé les deux pièces en PLA.
Le nouvel interrupteur a des contacts au dessus et en dessous.
Ceux au dessus pour une soudure directe sur un circuit imprimé.
Ceux en dessous avec des connecteurs Faston.
Vu
que des connecteurs Faston étaient utilisés avec l'ancien interrupteur,
j'ai gardé les connecteurs Faston du nouvel interrupteur.
Pour que le nouvel interrupteur rentre totalement dans l'adaptateur, il faut
couper les contacts prévus pour une soudure sur circuit-imprimé.
Le câble qui se connecte au circuit d'alimentation se soude directement à l'interrupteur.
Attention : les fils du câble sont à passer à travers la 2e pièce avant de souder et d'emboiter l'interrupteur et les pièces de l'adaptateur. Cela évite de rapprocher le fer à souder trop près de la 2e pièce qui pourrait fondre.
Pour insérer le nouvel interrupteur avec son adaptateur dans l'emplacement pour l'ancien interrupteur, il faut d'abord mettre l'interrupteur avec la première pièce.
Puis on peut mettre la seconde pièce qui va bloquer l'adaptateur et l'interrupteur en place.
On remet les connecteurs Faston et c'est fini !
On peut maintenant remonter tout ça !
J'ai laissé le petit bout de carton à l'arrière la neckboard.
Je trouve que la présence des soudures de circuit un peu trop proches d'une plaque en métal n'est pas très rassurant.
Au moins là, il n'y a aucun risque.
Après un test de fonctionnement, l'écran fonctionne parfaitement et est très lumineux dès les premières secondes d'utilisation.
Tout marche désormais très bien. Il n'y a rien d'autre à faire.
La remise en état de ce Minitel est terminée !
Le Minitel connecté à mon serveur Minitel et avec le pot, à côté du clavier, contenant les anciens condensateurs :
Sur l'écran couleur :
Un Minitel à écran n&b est plus confortable aux yeux à mon gout à l'utilisation.
Démonstration après remise en état :
Voici une vidéo de démonstration de fonctionnement de ce Minitel couleur après sa remise en état :
En faisant le montage de la vidéo de démonstration, j’ai remarqué que le tube cathodique avait une rémanence relativement visible.
Un dernier truc pour la petite curiosité :
Lorsque j'avais fait la liste des condensateurs à remplacer, j'avais dessoudé le module de gestion qui gère la déflexion horizontale et la synchro vidéo pour pouvoir mieux voir ses composants.
Vu que j'allais forcément retravailler dessus pour remplacer les condensateurs une fois les nouveaux reçus, je n'ai pas remis ce module en place.
Puis il s'est passé quelques temps entre le moment où j'ai fait la liste et où j'ai commercé le remplacement des condensateurs.
J'ai voulu voir dans quel état était les anciens condensateurs en rallumant le Minitel mais j'avais complètement oublié que je n'avais pas remis ce module et je n'avais pas fait attention à lui alors qu'il était à 20 cm du Minitel.
Le Minitel s'est allumé mais l'alimentation semblait totalement instable.
Pour cette documentation, j'ai fait une vidéo du comportement du Minitel lorsque ce module est manquant.
Cela peut-être utile pour comprendre si quelqu'un d'autre à mal remis son module ou si le module est défectueux.
Analyse de l'état des anciens composants :
J’ai passé au testeur les anciens composants pour voir ce qu’ils valaient encore.
Il y a que des condensateurs chimiques à regarder.
J'ai séparé les condensateurs chimiques par série par voir s'il y a des différences.
1) Les condensateurs "mounting-ring"
2) Le condensateur axial RDE
3) Les condensateurs radiaux japonais
4) Les condensateurs axiaux Philips
5) Les condensateurs radiaux Philips
6) Les condensateurs radiaux Philips (série 036 KO)
J'ai mesuré la capacité et la valeur d'ESR.
Je n'ai pas testé s'ils supportaient encore leur tension maximale de fonctionnement.
J'ai défini 3 verdicts possibles :
- 🟢 OK : Le condensateur a l'air bon.
- 🟡
Douteux : La valeur de capacité mesuré est assez différente par rapport à
la valeur nominale (tolérance entre -10 et +20%). Est-ce que c'est dans la tolérance (inconnue) des
spécifications du composant ou il y a une fuite de courant qui fausse
la mesure ? Difficile de savoir donc douteux.
- 🔴 HS : Valeurs mesures mauvaises. Composant à considérer comme HS.
Je ne montre pas ici tous les condensateurs mais seulement un exemplaire (quand il y en a plusieurs) de chaque modèle de capacité/tension qui a les plus mauvais résultats.
1) Les condensateurs "mounting-ring" :
Condensateur 4700 μF / Différence capacité mesurée +11% / ESR normal
Etat : 🟢 OK
Condensateur 68 μF / Différence capacité mesurée +13% / ESR normal
Etat : 🟢 OK
2) Le condensateur axial RDE
3) Les condensateurs radiaux japonais :
Condensateur 150 μF / Différence capacité mesurée +16% (tolérance indiqué jusqu'à +20%) / ESR normal
État : 🟢 OK
Condensateur 1 μF / Différence capacité mesurée +4% / ESR normal
État : 🟢 OK
4) Les condensateurs axiaux Philips :
Condensateur 680 μF / Différence capacité +18% / ESR normal
État : 🟢 OK
Condensateur 220 μF (40V) / Différence capacité +13% (tolérance indiquée -10/+50%) / ESR normal
État : 🟢 OK
Condensateur 220 μF (16V) / Différence capacité +2% (tolérance indiquée -10/+50%) / ESR normal
État : 🟢 OK
Condensateur 150 μF / Différence capacité -63% ⚠️ / ESR normal
État : 🔴 HS
Condensateur 68 μF / Différence capacité -46% ⚠️ / ESR normal
État : 🔴 HS
Condensateur 47 μF / Différence capacité -30% ⚠️ / ESR normal
État : 🔴 HS
Condensateur 6,8 μF / Différence capacité -8% / ESR élevé ⚠️
État : 🔴 HS
Pour cette série de condensateurs, j'ai l'impression que plus ils sont petits et moins ils sont fiables dans le temps après pas mal d'années.
5) Les condensateurs radiaux Philips :
Condensateur 680 μF / Différence capacité +15% / ESR normal
État : 🟢 OK
Condensateur 47 μF / Différence capacité -0,1% / ESR normal
État : 🟢 OK
Condensateur 330 μF (16V) / Différence capacité -12% ⚠️ / ESR normal
État : 🟡 Douteux
Condensateur 330 μF (10V) / Différence capacité -45% ⚠️ / ESR normal
État : 🔴 HS
Condensateur 22 μF / Différence capacité -7% / ESR normal
Condensateur 100 μF / Différence capacité -67% ⚠️ / ESR normal
État : 🔴 HS
Condensateur 47 μF / Différence capacité -45% ⚠️ / ESR normal
État : 🔴 HS
Condensateur 33 μF / Différence capacité -81% ⚠️ / ESR élevé ⚠️
État : 🔴 HS
Condensateur 4,7 μF / Différence capacité +5% / ESR normal
État : 🟢 OK
Condensateur 3,3 μF / Différence capacité +10% / ESR normal
État : 🟢 OK
6) Les condensateurs radiaux Philips (série 036 KO) :
Condensateur 4,7 μF / Différence capacité -13% ⚠️ / ESR un peu haut ⚠️
État : 🟡 Douteux
En conclusion de ce partie après avoir testé tous les anciens condensateurs chimiques, j'ai pu voir entre le tiers et la moitié était à considérer comme douteux ou carrément HS.
Après 40 ans d’existence, c'est pas très étonnant.
Sauvegardes puces MCS-48 :
On a vu plus haut que le clavier et le circuit d'interfaçage à l'intérieur de la partie écran où est relié le clavier avaient tous les deux des microcontrôleurs MAB 8048 H équivalents aux Intel 8048 de la série MCS-48 qui existe depuis 1976 et dont cette série n'est plus produite depuis les années 90 après avoir été remplacée par la série MCS-51 sortie en 1980.
Le circuit du clavier avec un microcontrôleur MAB 8048 H :
Le circuit d'interfaçage du clavier avec un microcontrôleur MAB 8048 H :
Dans un but de préservation et de pouvoir remplacer les microcontrôleurs de mon Minitel lorsqu’ils tomberont en panne, j’ai voulu sauvegarder le contenu de leur ROM.
Sauf que j'ai eu un problème pour faire ça.
Sauf que j'ai eu un problème pour faire ça.
Cette série MCS-48 n’étant plus produite depuis longtemps, mon programmateur Wellon VP-290 ne sait pas lire les puces de cette série et encore moins les programmer.
J'ai donc réalisé mon propre programmateur de microcontrôleur MCS-48 à base d'Arduino pour pouvoir sauvegarder ces puces et en programmer de nouvelles si besoin.
Plus d'informations sur l'article dédié : https://www.jelora.fr/post/2024/06/15/Programmateur-de-microcontrleur-Intel-MCS-48-experimental-sur-Arduino.html
Pour ce qui est de trouver des puces MCS-48 vierges, on en trouve un peu sur eBay.
Détail important : les puces MCS-48 programmables sont celles avec la référence 87**.
Les puces en 80**, telles que la 8048 sont celles programmées en unités et ne sont pas programmables.
Pour remplacer manuellement une puce 8048 défectueuse avec un programmateur MCS-48, il faut programmer une puce 8748.
J'ai commencé par sauvegarder la puce MAB 8048 H (Intel 8048) du clavier :
Le programme contenu dans la ROM a pu être sauvegardé au format Intel HEX !
Fichier au format Intel HEX : ROM MCU 8048 Clavier.hex
Un essai de programmation d'une puce 8748 vierge a été fait avec le programme issu de la ROM de la puce originale 8048.
Cette puce 8748 programmée maison a été testée fonctionnelle sur le Minitel !
Vu que la puce originale était soudée directement, j'ai mis un support à place pour pouvoir tester ma puce 8748 de test puis remettre ensuite la puce originale.
C'est moins violent pour les pistes que de souder directement la puce 8748 puis la dessouder après le test (le résultat du bon fonctionnement n'était pas encore connu) puis de ressouder la puce originale.
La puce originale a été remise en place.
J'ai gardé la puce 8748 de programmée qui a servi de test au cas où celle du clavier finirait par lâcher.
Ensuite je me suis occupé de la puce MAB 8048 H (Intel 8048) du circuit d'interface clavier de la partie écran :
Fichier au format Intel HEX : ROM MCU 8048 Récepteur clavier.hex
Pareil ici aussi, à l'emplacement de la puce originale, j'ai mis un support.
Je n'ai pas testé de puce 8748 ici mais s'il y a besoin de remplacer la puce originale un jour, ça évite les opérations de soudure.
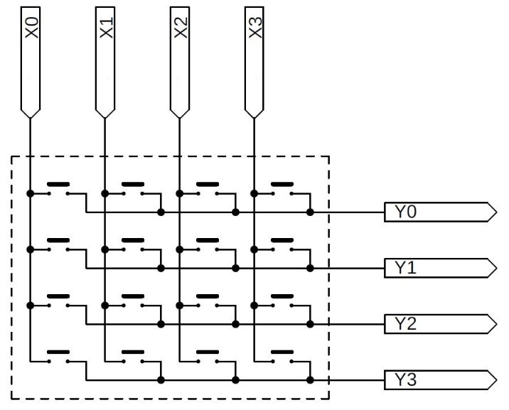
Correspondance (mapping) des touches du clavier sur les connecteurs :
Une fois ce Minitel remis en état, j’ai profité du fait que son clavier marche encore bien pour faire un mapping des touches sur les connecteurs pour le jour où une ou des touches ne régiront plus.
Il y a deux connecteurs à 8 contacts.
Celui de couleur grise à gauche est marqué « X » et l’autre à droite de couleur rouge est marqué « Y ».
Il y a également un « 7 » positionné à droite des deux connecteurs pouvant faire penser que la liaison électrique tout à droite de chaque connecteur est la n°7.
Vu qu’il y a 8 fils, on peut donc noter que les connexions sont numérotées de 0 à 7.
On a donc de « X0 » à « X7 » sur le connecteur gris et de « Y0 » à « Y7 » à droite.
Le clavier utilise un système classique avec un courant est envoyé sur 8 fils un à la fois.
Lorsqu’une touche est appuyée, le courant ressort sur un des 8 autres fils.
8 connexions sur un connecteurs et 8 autres sur l’autre connecteur, ça donne 64 combinaisons possibles.
Il est possible de déterminer la combinaison X et Y de chaque avec un testeur de continuité en envoyant un courant dans un des fils du connecteur X et de voir où il ressort sur le connecteur Y.
C’est assez long. Il faut le faire pour chaque touche.
Mais c’est utilise pour plus tard.
Voici les combinaisons pour chaque touche :
Par exemple : Si on appuie sur la touche ENVOI, une liaison électrique est établie entre X2 et Y6.
Les emplacements grisés dans le tableau sont des combinaisons qui sont reliés à aucune touche.
Je n’ai pas vérifié si le courant arrivait sur les fils en X ou en Y.
La prise Péritel utilisée comme entrée RVB :
Pour le fun, j’ai voulu savoir ce qu’il pouvait se passer si on envoyait un signal RVB depuis une source extérieure dans la prise péritel à l’arrière du Minitel.
Lorsqu’un signal entrant est détecté par le Minitel, ce dernier arrête ses fonctions Minitel pures et passe en mode "moniteur RGB".
A l'époque où ce Minitel est sorti, il était tout à fait possible de se faire une petite partie de jeux vidéos de temps en temps depuis une console de jeu à sortie RVB telle que la Sega Master System.
Dommage qu'il n'y ait cependant pas de haut-parleur intégré.
Après, cela permettait de rester discret lorsqu’on voulait se faire une partie dans son bureau avec sa console planquée dans le tiroir. :D
Au moins, ça change des messageries roses.
La prise Péritel utilisée comme sortie RVB :
Maintenant qu’il manche bien, j'ai voulu voir ce que donnait la prise Péritel en sortie RVB.
Même si je n'ai jamais vu de ce modèle de Minitel connecté un autre téléviseur couleur pour afficher la même chose sur l'autre écran, dans ma tête cela me paraissait évident que cette interface Péritel était là pour servir de sortie.
J'ai connecté le Minitel et une télévision cathodique ordinaire d'à peu près la même époque via un câble Péritel pouvant faire véhiculer des signaux RVB (ils ne le font pas tous).
Avec la télévision encore éteinte, il ne se passe rien de particulier.
Par contre, quand on allume la télévision, les choses se gâtent.
Il y a quelques vagues traits sur l'écran de la télévision et l'image sur le Minitel est devenue totalement instable.
Le même résultat est obtenu avec un autre téléviseur de marque différente.
En fait, dans un câble Péritel connecté à une télévision, en plus des signaux provenant de la source externe (ici le Minitel), il y a aussi des signaux provenant du tuner de la télévision pour aller vers la source externe.
Donc on a un signal de synchronisation qui part de la télévision qui va vers le Minitel.
Le tuner étant réglé sur aucune source vidéo propre, le signal de synchronisation venant de la télévision est totalement aléatoire.
Le Minitel semble essayer de se caler dessus.
J'ai essayé de déconnecter le fil dans une des prises du câble Péritel qui véhicule le signal de synchronisation provenant de la télévision.
Le Minitel n'a plus son affichage qui saute mais on a une image noire sur la télévision.
Mais avec le câble Péritel modifié ou dans son état d'origine, pourquoi est-ce qu'on ne voit pas de traitées colorées distordues bien visibles de ce qu'il y a sur l'écran du Minitel sur l'écran de la télévision ?
Après analyse des signaux qui sortent de la prise Péritel du Minitel, j'ai constaté qu'il n'y pas de signaux RVB en sortie. Il y a juste un signal de synchronisation sur le canal composite.
J'en déduit la conclusion suivante :
La prise Péritel de ce Minitel est juste une entrée RVB. Il n'y a pas de sortie RVB.
On pourrait se demander : pourquoi avoir une sortie RVB pour afficher l'image sur un écran couleur externe alors qu'on a déjà un écran couleur ?
Hormis pour présenter quelque chose sur un écran plus grand ou faire un enregistrement vidéo (via un convertisseur RVB vers PAL ou SECAM), je ne sais pas.
La première idée collerait bien avec le côté "tape à l’œil" donné dans les documents présentés en début de ce compte-rendu.
Mais pourquoi un Minitel avec une prise Péritel qui fait juste entrée RVB ?
Si on repense à l'époque de ce Minitel en 1985, les gens pouvaient avoir sur leur bureau un Minitel et éventuellement un micro-ordinateur.
Les micro-ordinateurs des années 80 qui permettaient de gérer un affichage couleur avaient une sortie RVB et était connectables soit à une moniteur spécifique soit à un téléviseur classique via la prise Péritel.
Je pense que le but de ce connecteur Péritel avec uniquement une fonction d'entrée RVB était que ce Minitel couleur remplace le moniteur du micro-ordinateur présent sur le bureau et ainsi n'occupe pas plus de place.
De ce fait, il n'y a pas d'espace occupé supplémentaire par un autre gros appareil sur le bureau.
En plus, j'ai découvert que, si le Minitel avait une connexion active au moment où un appareil envoi un signal vidéo sur son entrée vidéo RGB, la connexion n'est pas coupée.
Donc les fonctions logiques du Minitel sont maintenues pendant le basculement. Il y a juste une permutation d'affichage.
On pourrait très bien imaginer qu'un micro-ordinateur de l'époque se serve du Minitel comme moniteur RGB et comme modem V23 en même temps.
Exemple avec un ordinateur MSX Sony HB-75F de 1984 connecté en Péritel sur l'entrée Péritel du Minitel :
A gauche, l'ordinateur est éteint et le Minitel fait son boulot de Minitel.
A droite, l'ordinateur est allumé et on a son interface sur l'écran du Minitel.
Autre piste : j'ai vu avec ma vidéo de démonstration que l'écran cathodique de ce Minitel avait une certaine rémanence.
On
pourrait penser que le choix de ce modèle de tube cathodique a été fait
en pensant au fait que l'utilisateur va passer du temps devant l'écran
et la légère rémanence est pour moins fatiguer sa vision.
Le mot de la fin :
Comme d'habitude, le chat a été d'une aide précieuse lors de cette remise en état de cet appareil.




































































































































































































































































































































































































